Designed In-House

We don't outsource any of our designs, suggestions, or fixture selections. Our in-house Certified Lighting Consultants & Lighting Associates listen to your needs and preferences to offer a variety of options, curated around your project. We treat your projects as if they were our very own.

Architectural & Decorative

Whether you're working with a designer for the decorative lighting and only need our help with the architectural and functional, or you would like to consult with our Lighting Associates for help on fixture selections, we're here to help.

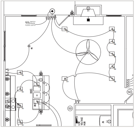
Professional CAD Schematics

Our Lighting Design service features professional drawings. Similar to an Elevation plan and an Electrical plan, we curate a Lighting plan for your project.



The Lighting Design Process

Available for New Construction • Remodel • Restorations

Our lighting design is offered for any sized project, available for both residential and lite-commercial applications. If it is a bathroom, common area, the entire home, or a boutique hotel, we are happy to quote and design any meaningful space.

Lighting & Bulbs Unlimited provides unbiased lighting design services based on individual client needs that are consistent with the various parameters of the project.

Our Full Lighting Design process is broken down into three main stages:

Stage 1

Lighting Design

A CAD plan that combines aesthetics, lighting level calculations, and several lighting techniques. Our designs are artistically based keeping national and local electrical codes, along with wattage and load restraints where applicable, in mind.

Stage 2

Construction Administration

Coordination with the construction team to assist, revising plans and specifications as needed. Two site visits are included for the critical stages of the lighting implementation of pre-Rough-in and pre-Sheet rock.

Stage 3

Adjustments & Set-up

Once the construction project is completed and the project is furnished and decorated, a site visit is made to adjust and aim the lighting as intended. Lighting scenes are set at this stage, if a lighting control system was installed.

The staff is extremely knowledgeable and helpful. They helped us pick out all the correct lights and switches for our kitchen remodel which included puck lights, under cabinet and new recessed lighting. They came out to our house and helped us with the layout and design which was amazing. Would recommend Lighting & Bulbs over and over again.

- ALY S.

Custom Designs

Each project is unique. We don't work with templates to fast track your project. Rather, we look at the ceiling height, home elevation, architectural design, and personal preferences to curate a design that fits your lifestyle.

Art lover? Let's enhance all of the pieces that you have on display in their own unique and ideal way. Looking for a way to bring the latest contemporary design into your new build, let's talk about the latest trends and product styles available.

We blend our expertise, knowledge, and skills with your design preferences and lifestyle behaviors, such as lighting schedules and pre-determined settings. Not to mention the new integrations that allow for you to combine your HVAC, shades, and lighting controlled by an app on your smartphone.


Let’s open the conversation

Lighting Design

Enlightenment is just a converstaion starter away.

Our Lighting Design consultations are complumentary. Let's start the convessation to see how we can help bbring your ideas to life and enlighten all of your meaingful spaces.

@lightingandbulbs

Hours

Monday - Friday • 8a-6p
Saturday • 10a-5p
Sunday • Closed

Address

4335 Monroe Road
Charlotte, NC 28205

Get Directions

Phone

704.602.0150

Call Us

A Simple Example

4301 Raney Way, Charlotte, NC 28205

New Path Properties came to us to discuss how he was building a spec-home, but didn't want to skimp. He didn't want a "builder grade" feel, but didn't need top of the line either. Since spec homes don't have owners yet, there is a general simplicity we keep in the area, knowing we won't know the future homeowner's lifestyle or even art placement yet. Therefore, we use quality products with good warranties, placement based on the specs of the products, and a decorative look to keep the overall modern feel the builder wanted in mind.

  • The designed plan (after)

  • Real life result, side one

  • Real life result, side two

Walk the Home with Us

on Instagram