Designed In-House
We don't outsource any of our designs, suggestions, or fixture selections. Our in-house Certified Lighting Consultants & Lighting Associates listen to your needs and preferences to offer a variety of options, curated around your project. We treat your projects as if they were our very own.
Architectural & Decorative
Whether you're working with a designer for the decorative lighting and only need our help with the architectural and functional, or you would like to consult with our Lighting Associates for help on fixture selections, we're here to help.
Professional CAD Schematics
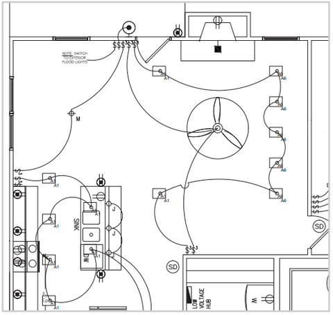
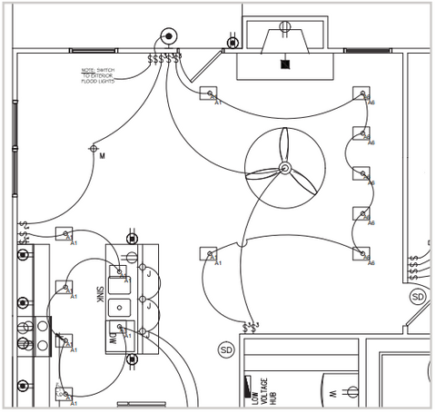
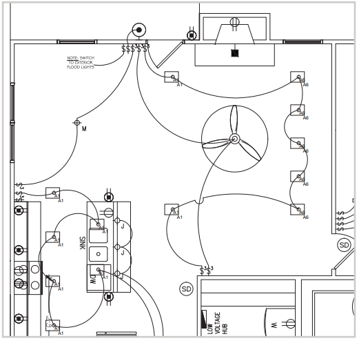
Our Lighting Design service features professional drawings. Similar to an Elevation plan and an Electrical plan, we curate a Lighting plan for your project.
The Lighting Design Process
Available for New Construction • Remodel • Restorations
Our lighting design is offered for any sized project, available for both residential and lite-commercial applications. If it is a bathroom, common area, the entire home, or a boutique hotel, we are happy to quote and design any meaningful space.
Lighting & Bulbs Unlimited provides unbiased lighting design services based on individual client needs that are consistent with the various parameters of the project.
Our Full Lighting Design process is broken down into three main stages:
Stage 1
Lighting Design
A CAD plan that combines aesthetics, lighting level calculations, and several lighting techniques. Our designs are artistically based keeping national and local electrical codes, along with wattage and load restraints where applicable, in mind.
Stage 2
Construction Administration
Coordination with the construction team to assist, revising plans and specifications as needed. Two site visits are included for the critical stages of the lighting implementation of pre-Rough-in and pre-Sheet rock.
Stage 3
Adjustments & Set-up
Once the construction project is completed and the project is furnished and decorated, a site visit is made to adjust and aim the lighting as intended. Lighting scenes are set at this stage, if a lighting control system was installed.

The staff is extremely knowledgeable and helpful. They helped us pick out all the correct lights and switches for our kitchen remodel which included puck lights, under cabinet and new recessed lighting. They came out to our house and helped us with the layout and design which was amazing. Would recommend Lighting & Bulbs over and over again.
- ALY S.

Custom Designs
Each project is unique. We don't work with templates to fast track your project. Rather, we look at the ceiling height, home elevation, architectural design, and personal preferences to curate a design that fits your lifestyle.
Art lover? Let's enhance all of the pieces that you have on display in their own unique and ideal way. Looking for a way to bring the latest contemporary design into your new build, let's talk about the latest trends and product styles available.
We blend our expertise, knowledge, and skills with your design preferences and lifestyle behaviors, such as lighting schedules and pre-determined settings. Not to mention the new integrations that allow for you to combine your HVAC, shades, and lighting controlled by an app on your smartphone.
Let’s open the conversation
Lighting Design
Hours
Monday - Friday • 8a-6p
Saturday • 10a-5p
Sunday • Closed
A Simple Example
4301 Raney Way, Charlotte, NC 28205
New Path Properties came to us to discuss how he was building a spec-home, but didn't want to skimp. He didn't want a "builder grade" feel, but didn't need top of the line either. Since spec homes don't have owners yet, there is a general simplicity we keep in the area, knowing we won't know the future homeowner's lifestyle or even art placement yet. Therefore, we use quality products with good warranties, placement based on the specs of the products, and a decorative look to keep the overall modern feel the builder wanted in mind.
The images below show the "before" plan, the "after" plan, and two in-real-life photos of the space.
We adjusted the living room to a non-symmetrical placement, using two different kinds of downlights (because honestly, who wants to lay on a couch to watch tv with a downlight shining in your eyes?). Using angled products, we washed the wall, allowing the future owners to place any piece of art on the wall knowing it will be lit well; no art, no problem, the space feels larger and open without too much light shining down onto the sofa space.

The original plan (before)

The designed plan (after)

Real life result, side one
